
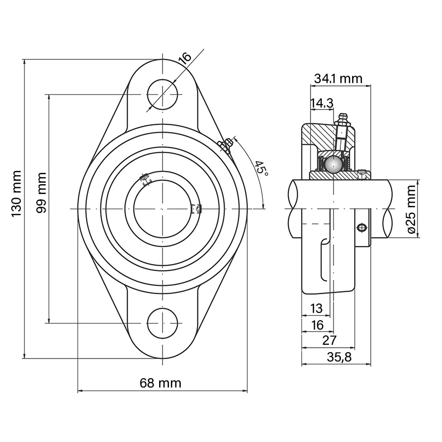
Unutrašnji prečnik (mm) | 25 |
Spoljni prečnik (mm) | 130 |
Širina (mm) | 99 |
Širina proširenog unutrašnjeg prstena (mm) | 34.1 |
Tip kućišta | sa prirubnicom i 2 otvora |
Učvršćivanje prirubnice | M14 zavrtanj |
Oznaka ležaja | UC 205 |
Broj montažnih otvora | 2 |
Osiguravajući vijak | M6 |
Težina proizvoda (kg) | 0.58 |