
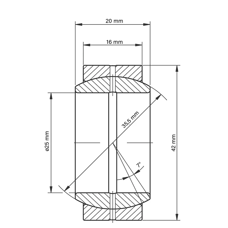
Unutrašnji prečnik (mm) | 25 |
Spoljni prečnik (mm) | 42 |
Širina (mm) | 20 |
Širina produženog unutrašnjeg prstena (mm) | ne |
Materijal prstena | Čelik za kotrljajuće ležajeve |
Kombinacija kliznih kontaktnih površina | Čelik / Čelik |
Težina proizvoda (kg) | 0.11 |
Units in box: | 25x42x20 mm |