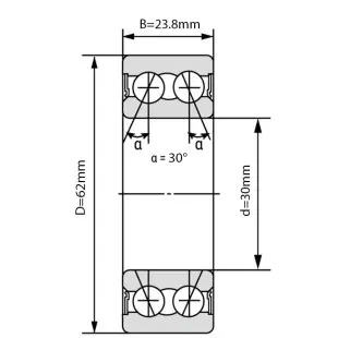
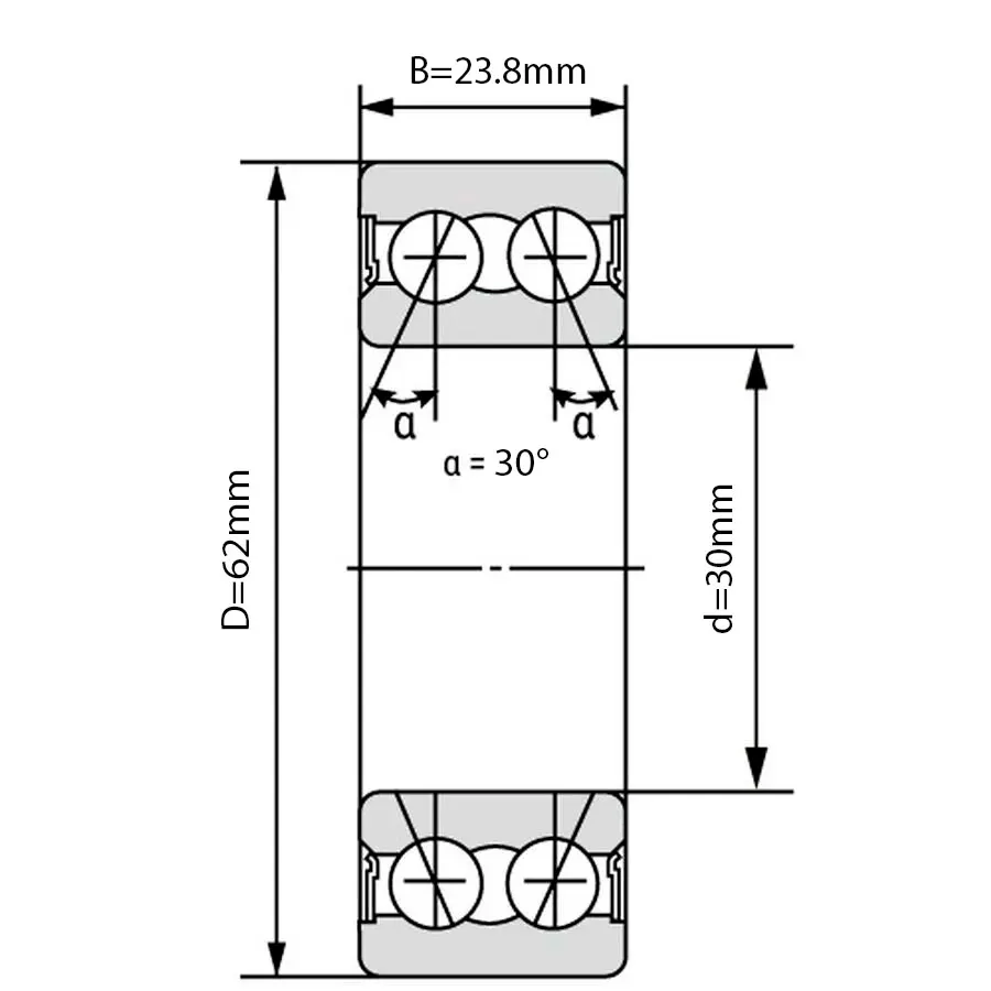
Kuglični ležajevi sa kosim dodirom: 3206 2RS
3206 2RS
Dostupno: 2 komada
Serija 3200
Tehnički podaci
Unutrašnji prečnik (mm) |
30 |
Spoljni prečnik (mm) |
62 |
Širina (mm) |
23.8 |
Materijal prstena |
Čelik |
Materijal kaveza |
Čelik |
Prirubnica |
Ne |
Komplet set kuglica |
0 |
Zaptivka |
2RS |
Broj redova kuglica |
dva reda |
Ugao dodira |
30° |
Težina proizvoda (kg) |
0.35 |
Komentari
Trenutno nema komentara za ovaj proizvod.